Renesas Electronics Corp

1001 Murphy Ranch Rd
Milpitas, CA 95035
United States
408-432-8888
408-434-5351

More Info on Renesas Electronics Corp

Intersil is leveraging a deep portfolio of intellectual property, a history of design and process innovation and a system-level view to deliver unique benefits for the latest electronic systems. Intersil’s customers are recognized as innovators in their chosen markets, and our IC solutions are forming the building blocks of the latest devices adding intelligence, mobility and true energy efficiency.

One of the first semiconductor companies in Silicon Valley, Intersil was founded in 1967. When microprocessors emerged in the 1970s, Intersil’s 12-bit IM6100 was the first microprocessor in standard CMOS. That history of leadership continued as the company evolved, and in early 2000, Intersil went public in what was then the largest semiconductor IPO in US history.

Since then, the company has developed market leadership in power management and precision analog technology for many of the most rigorous applications in the computing, consumer and industrial markets. The company supplies a full range of power IC solutions including battery management, computing power, display power, regulators and controllers and power modules; as well as precision analog components such as amplifiers and buffers, proximity and light sensors, data converters, timing products, optoelectronics and interface products. As a major supplier to the military and aerospace industries, Intersil’s product development methodologies reflect experience designing products to meet the highest standards for reliability and performance in challenging environments.

Intersil is built upon guiding principles that reflect the company’s strong sense of commitment to our customers, our long heritage and our intention to be a part of the next 50 years of semiconductor innovation.

Products

Shared User Pr643cfd9aac124a3281ce9b71a7a1f749
100V N-channel enhancement mode GaN power transistors. These GaN FETs have been characterized for destructive SEE and tested for TID radiation up to 100krad(Si) HDR and 75krad...
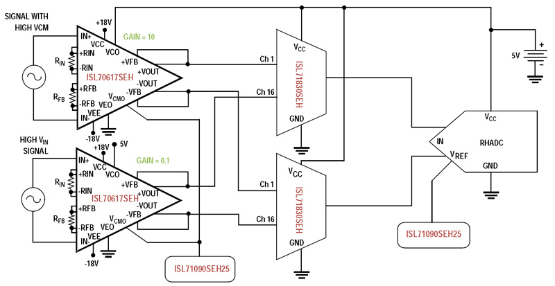
ISL70617SEH 36V Rad Hard Precision Instrumentation Amp with Rail-to-Rail Output Differential ADC Driver Typical Diagram
Intersil’s ISL70617SEH integrates a rail-to-rail output differential ADC driver to provide the highest sensor signal processing performance for communication satellites. Its high...
ISL71830SEH Rad Hard 5V 16-Channel Analog Multiplexer Typical Diagram
Intersil’s ISL71830/31SEH rad hard multiplexers with cold spare capability offer 2x better performance than competing solutions, and address the growing trend toward reduced system...
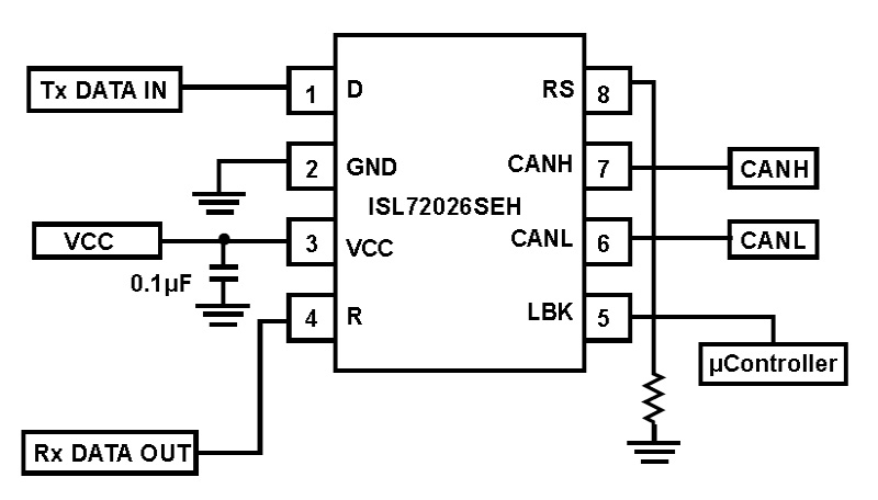
3.3V Radiation Tolerant CAN Transceiver, 1Mbps, Listen Mode, Loopback
Intersil's ISL7202xSEH CAN transceivers provide reliable serial data transmission between a CAN controller and CAN bus. The QML-V qualified devices enable satellite weight and...
ISL71840SEH Rad Hard 30V 16-Channel Analog Multiplexer Typical Diagram (drop-in replacement for the HS9-1840ARH)
The ISL71840/41SEH MUXs provide best-in-class ESD protection, reducing or eliminating the need for external protection devices and special handling procedures, and the industry...
The HS-2420EH consists of a high performance operational amplifier with its output in series with an ultra-low leakage analog switch and a MOSFET input unity gain amplifier.
Intersil's ISL70444SEH features four low-power amplifiers optimized to provide maximum dynamic range. The op amp features a unique combination of rail-to-rail operation on the...
Intersil’s ISL70219ASEH is a very high precision rad hard operational amplifier featuring the perfect combination of low noise vs. power consumption. Low offset voltage, low IBIAS...
Intersil’s ISL70244SEH is a 19MHz rad hard 40V dual rail-to-rail input-output, low-power operational amplifier. The device features a unique combination of rail-to-rail operation...
Intersil’s ISL73096, ISL73127 and ISL73128 are radiation hardened bipolar transistor arrays. The ISL73096 consists of three NPN transistors and two PNP transistors on a common...

Articles

Renesas 16 Dec 2020
The ISL73141SEH 1-megasample-per-second device offers strong signal-to-noise ratio, integral non-linearity, and differential non-linearity.
The European Space Agency Hispasat 36W-1 geosynchronous satellite provides Europe, the Canary Islands, and the Americas with fast multimedia services. These kinds of long-mission, high-orbit spacecraft require specialized radiation-hardened electronics components.
The wave of commercially developed communications and remote-sensing satellites seeks to balance costs, capability, size, weight, and power consumption in the latest new space...
Renesas 13 April 2020
The 8V97003 is a local oscillator for millimeter wave and beamforming, or a reference clock for a high-speed data converter in data acquisition.

Buyer’s Guide Listing Information

Click here for listing information and directions on how to add or update your company.

Request More Information From Renesas Electronics Corp

By clicking above, I agree to Endeavor Business Media's Terms of Service and consent to receive promotional communications from Endeavor, its affiliates, and partners per its Privacy Notice. I also understand my personal information will be shared with the sponsor of this content, who may contact me about their offerings per their privacy policy. I can unsubscribe anytime.

Additional content from Renesas Electronics Corp

The ISL70419SEH contains four very high precision amplifiers featuring the perfect combination of low noise vs power consumption. Low offset voltage, low IBIAS current and low...
EDN Hot 100 Products for 2014 winner. Intersil’s ISL71590SEH is a radiation-hardened, low power, current output temperature sensor able to deliver a high level of accuracy over...
Intersil's ISL71091SEH rad hard voltage reference family offers voltages previously unavailable for the rad hard space market, enabling better overall accuracy for 11-bit and ...
The ISL70003SEH rad-hard regulator offers robust reliability and accuracy to support the most demanding POL voltage tolerance requirements and to withstand low- and high-dose ...
The ISL70003SEHEV1Z evaluation board is designed to evaluate the performance of the ISL70003SEH, a TID and SEE hardened 6A synchronous buck regulator IC with integrated MOSFETs...
The HS-5104ARH, HS-5104AEH are radiation hardened, monolithic quad operational amplifiers that provide highly reliable performance in harsh radiation environments. Excellent noise...